Company | Hot News | Product | Download | Distributor | Contact Us | Home
Maxtech Software
Automation Appliances
Control Instruments
Meters
Microprocess V/A/Power Meter
Microprocess Digital Panel Meter
Multi-Power Meter
Digital Hygrometer and Thermometer
Infrared Hygrometer and Thermometer
Thermo Anemometers
Data logger
Analog V/A/Hz Panel Meter and PC Board
Current Transformer(CT) and Shunt
Capillary Thermometer
Bimetal Thermometer
Glass Thermometer
Sensors Transmitter
Heaters
Electronic Control Component & Others
Hvac
Meters\Analog V/A/Hz Panel Meter and PC Board
  
Panel Meter
 
Model:CF Series 
  
Product details:
 Adobe Reader Download.

Products Information


CF-15 Series Panel Meter
CF-20
Series
Panel Meter

    
  CF-15                         CF-20         

Products Features
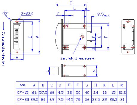
Dimension : 66 x 24 x 65mm (CF-15)
                      90 x 34 x 70mm (CF-20)
Class : 1.5
Item Range Item Range
AC-A 1A DC-A 50μA~5A
AC-V 1V~600V DC-V 50mV~600V
Dimensions (unit : mm)
→CF-15 / CF-20 :

Products Information


CF-480 Series Panel Meter

 

Products Features
Dimension : 88 x 45 x 45mm
Class : 1.5
Item Range Item Range
AC-A 1A DC-A 50μA~5A
AC-V 1V~600V DC-V 50mV~600V
Dimensions (unit : mm)
→CF-480 :
Product Remarks:
 
 
  Copy Right © MAXTHERMO-GITTA GROUP CORPORATION All rights reserved.